Schematics
Vacuum Tube Model(s)
- Modèle VI - 1956 - Circuit 1 [JPG, 39.8MB] Sound Generation, Drawer, Power Supply. Nov 28, 1956
- Modèle VI - 1976 - Circuit 1 [JPG, 9.4MB] Power Supply. March 18, 1976
- Modèle VI - 1976 - Circuit 2 [JPG, 4.3MB] Drawer. March 18, 1976
- Modèle VI - Chassis [JPG, 5.5MB] Main Chassis Layout. (date unknown)
Transistor Model 7
- Model 7 Block Diagram [JPG, 1.2MB] Functional Block Diagram (from Jean Loroid book 1993)
- Overall Scheme of The Ondes [JPG, 1MB] Detailed diagram of operation and drawer functions (from Jean Loroid book 1993)
- Model 7 Waveforms [JPG, 1.7MB] Illustration of waveforms (from Jean Loroid book 1993)
- Modèle VII - General 1 [JPG, 10.3MB] Drawer Switching. (date unknown)
- Modèle VII - General 2 [JPG, 19.7MB] Sound Generation. (date unknown)
JB1 board - Power Supply and Sound Generator
- JB1 Circuit Prototype 1 [PDF, 3.0MB] Prototype. (1978?)
- Modification 1978, inversion relais [PDF, 1.5MB] Modification to remove relays. 1978
- Modification 1978, câblage [PDF, 1.5MB] Wiring Modification. 1978
- JB1 Circuit Prototype 2 [PDF, 1.8MB] Prototype 2. 1979
* 1979 Model
- JB1 Circuit 1979 [PDF, 1.4MB] Power Supply and Oscillator. 1979
- JB1 Photo version Burr-Brown.pdf [PDF, 0.4MB] Circuit Board photograph. 1979
- JB1 Disposition version Burr-Brown 1979 [PDF, 19.1MB] Circuit Board parts location. 1979
* 1983 Model
- JB1 Circuit 1983 [PDF, 1.8MB] Exponential Converter Only. 1983
- JB1 Circuit 1983 #2 [PDF, 30.4MB] Power Supply and Oscillator. 1983
- JB1 Disposition 1983 [PDF, 1.8MB] Circuit board parts location. 1983
- JB1 Calibration [PDF, 2.9MB] Test Point Location and Calibration. 1983
JB2 board - Output Amplifier
- JB2 PCB 1971 [PDF, 7.3MB] PCB Copper Layer and parts location. 1971?
- JB2 Photo 1971 [PDF, 1.3MB] Photo of populated PCB. 1971?
- JB2 Circuit + disposition 1982 [PDF, 1.9MB] Schematic and board parts location. 1982
JB3 Board - Drawer Switching
- JB3 Commutation [PDF, 2.3MB] Waveform switching and mixing circuit. (date unknown)
- JB3 Disposition [PDF, 2.6MB] Parts location. (date unknown)
- JB3 Photo [PDF, 0.3MB] Photo of populated PCB. (date unknown)
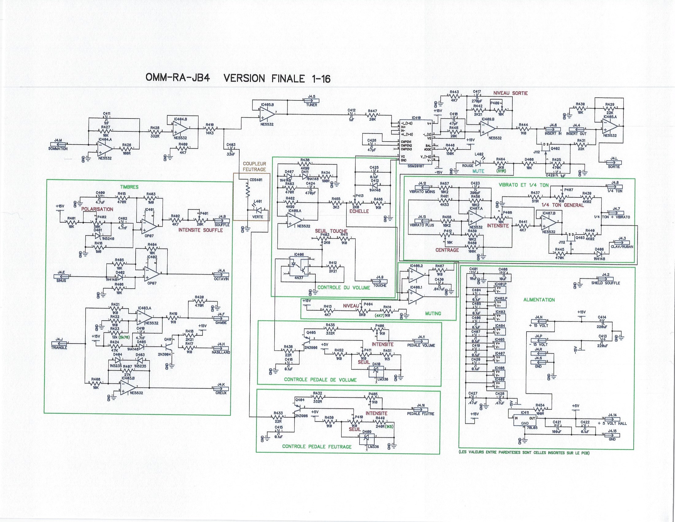
JB4 Board - Wave Shapers / Filtering
- JB4 Circuit [PDF, 1.2MB] Wave shaping circuit (date unknown)
- JB4 Disposition 1 [PDF, 3.0MB] Parts Location with copper layer Version 1. (date unknown)
- JB4 Disposition 2 [PDF, 2.6MB] Parts Location Version 2. (date unknown)
- JB4 Photo [PDF, 0.2MB] Photo of populated PCB. (date unknown)
Jean Landry's Modifications to Transistor Model 7
After several exponential converters (ua726) failed inside several instruments, including those at the Conservatoire de musique de Montréal, technicians Jean Landry and Normand Daigle designed and built replacement JB1 and JB4 circuit boards in 2010. These new boards replaced the exponential converter with an SSM2212, improved power supply stability and also the intensity and filter keys using Hall sensors. The linear supply was designed concurrently with the switching type because of potential noise problems, allowing them to choose when modifying a specific instrument.
- JL Alimentation Analogique [PDF, 3.1MB] Linear Power Supply. (date?)
- JL Schéma JB1 [JPG, 1.6MB] JB1 Board Schematic (Sound Generator)
- JL PCB JB1 [JPG, 3.7MB] JB1 Board PCB Design
- JL Schéma JB4 [JPG, 0.8MB] JB4 Board Schematic (Wave Shapers / Filtering).
- JL PCB JB4 [JPG, 2.8MB] JB4 Board PCB Design
- JL Textes + dessins [ZIP, 0.9MB] Calibration and modification instructions.
